上海恒點傳動設備有限公司
加微信聯系 恒點減速機QQ2:51228482
[HTML] [XML]  産品展示産品展示-RSS  新聞中心新聞中心-RSS  技術支持技術支持-RSS
産品分類: 減速機蝸輪絲杆升降機轉向箱蝸輪蝸杆減速機齒輪減速機行星齒輪減速機擺線針輪減速機無級變速機大功率減速器
上海恒點傳動設備有限公司
資訊分類
和産品相關的技術文章
當前位置:網站首頁 > 技術支持 > FAZ系列平行軸斜齒輪減速機輸出端小法蘭可以裝在電機同側嗎[原創]

FAZ系列平行軸斜齒輪減速機輸出端小法蘭可以裝在電機同側嗎[原創]

Tags: F系列平行軸斜齒輪減速機    發布時間: 2013-05-02
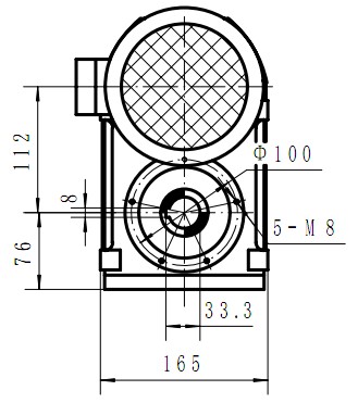
   近日有客戶詢價F系列減速機,輸出配小法蘭.但不是常規的安裝形式,輸出的小法蘭要裝在與電機同一側的面上.型号爲FAZ37-30-Y0.37KW
   标準件來說,是無法安裝的.因爲電機小法蘭會有重合.請見圖

   如果這個重合的地方不會影響客戶使用,那是可以的.如果影響到安裝,不建議這樣使用.
   非标或者非常規型的減速機,客戶在選型時,建議先來電咨詢,確認型号後,再看外形尺寸圖來定是否能夠使用. 咨詢電話: 4009909688
上一篇 上一篇: 祝新老客戶節日快樂[五一勞動節]
下一篇 下一篇: 杭州某公司轉載我公司産品圖片,客戶購買前請注意區分!
相關新聞文章 > 查看更多
O型圈損壞的原因和措施-安裝不當導緻的損傷 2026-02-02
斜齒輪錐齒輪減速機常見問題及解決之道 2026-01-09
車用發動機噪聲的形成與對策 2025-11-28
車削螺紋時常見故障及解決方法-螺距不正確 2025-08-29
怎樣使用離心泵 2025-08-11
如何在數控加工中選擇刀具 2025-07-15
什麽時候應採用順銑,什麽時候應採用逆銑? 2025-05-30
錐齒輪承載能力計算方法第1部分:概述和通用影響系數範圍、規範性引用文件(GB/T10062.1-2003) 2025-05-07
如何增大2級圓柱齒輪減速器齒輪之間的中心距 2025-02-28
滾動軸承按用途主要可分爲哪幾類? 2024-12-06
什麽是内複圓直徑?什麽是外複圓直徑? 2024-11-29
軸承裏有多少零件? 2024-10-21
返回頂部 關閉本頁】 【打印本頁
電 話:021-22815912  021-22816186  傳 真:021-32050712   郵箱:sales@021jsj.cn  減速機 絲杆升降機 轉向箱 蝸輪蝸杆減速機
Copyright©2009-2026上海恒點傳動設備有限公司 版權所有  地址:上海市金山區亭林鎮林寶路39号  郵編:200442  滬ICP備10206998号-2 
友情鏈接機械設備網 | 渦街流量計 | 輸送機 | 變頻控制櫃 | 破碎機 | 工業同城 | 手持終端 | 柴油發電機 | uv平闆打印機 | 風淋室 | QUV | 防火門 | 九愛圖紙 | 感應加熱設備 | 輸送帶廠家 | 噪聲治理 | 西門子plc | 拖鏈電纜 | AGV | 機械雜志 | 現代機械 | UWB高精度定位 |